An Digital Radio Mondiale (DRM) front end system using a Yaesu FT-897 ham radio transceiver and a home brewed 467 kHz IF mixer

                                                                                

  1. Foreword
  2. A complete computer based DRM receiver system
  3. Project schematic, PCB layouts and data sheets
  4. Alternative mixer circuits
  5. DRM frequency list and schedule
  6. Alternative DRM sites
  7. Modification of receivers and transceivers to be udsed for receiving DRM signals
  8. DRM computer software
  9. Pictures

 

Broadcast Center Europe LW Station in Beidweiler
Three phased towers of 290 m height each
Geographic data: 49°43'58" N / 6°19'08" E

 


Foreword

I have for a long time been curious of how to decode the strange noisy signals along the broadcast bands. One day I found information about the signals at the Internet. Some guys called it Digital Radio Mondiale - DRM. But how do I decode the information...? A few days later my curious was growing to new highs and I searched around the Internet again - and I was lucky...! I found the source code for a Linux based open source program called Dream. I get it compiled for MS Windows and now I have a working computer system with a DRM software - but still no decoded DRM signal out of my computers speaker. What I still want was to built a 467 kHz IF mixer. The 467 kHz IF mixer mixes a 467 kHz internal oscillator signal with a 455 kHz IF external signal from a receiver - in my case from a Yaesu FT-897 transceiver. I found some data sheet for the NE612 mixer and oscillator intergrated circuit and build a my own 467 kHz IF mixer. The used resulting mixed signal is now a 12 kHz signal - just in the middle of the normal LF area of what a computers sound card can handle (the width of a DRM-signal is about 10 kHz). Again I searched the internet and found a very simple to build circuit of a mixer. I made a PCB, a coil and soldered it all together as the mentioned circuit. The 467 kHz mixer was connected to the transceiver, for the power and the 455 kHz IF signal, and the transceiver was powered up - no smoke...! A cable was connected to the phone connector of the 467 kHz  mixers metal shield box and the other end of the cable was connected to the microphone input of my laptop computer. The Dream software was running at the laptop - but still no signal to hear... Again I have to search the Internet to find information about where to locate signals - my choice became first the German RTL at 6095 kHz (German language) then Deutche Welle at 7265 kHz (English) and BBC World at 7320 (English) - all working GREAT at my side - YES I'm now listening to DRM but my curiosity is even bigger then before I started...

A complete computer based DRM receiver system

A complete computer based DRM receiver system is based on four items.

First there has to be a receiver or transceiver to receive the DRM radio signals on air. The receiver or transceiver has to work AM. Pick up the 455 kHz IF-signal from the receiver or transceiver. There is further information about modifications of the receiver or transceiver, to pick up the 455 kHz IF, under "Modification of receivers and transceivers to be used for receiving DRM signal" below on this homepage.

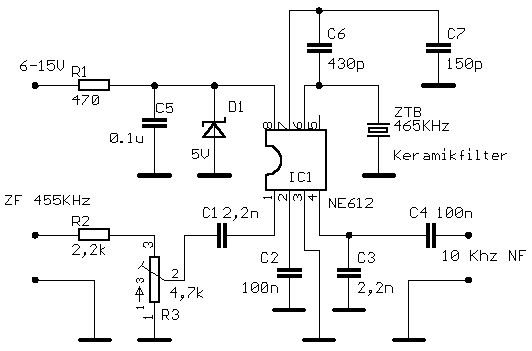
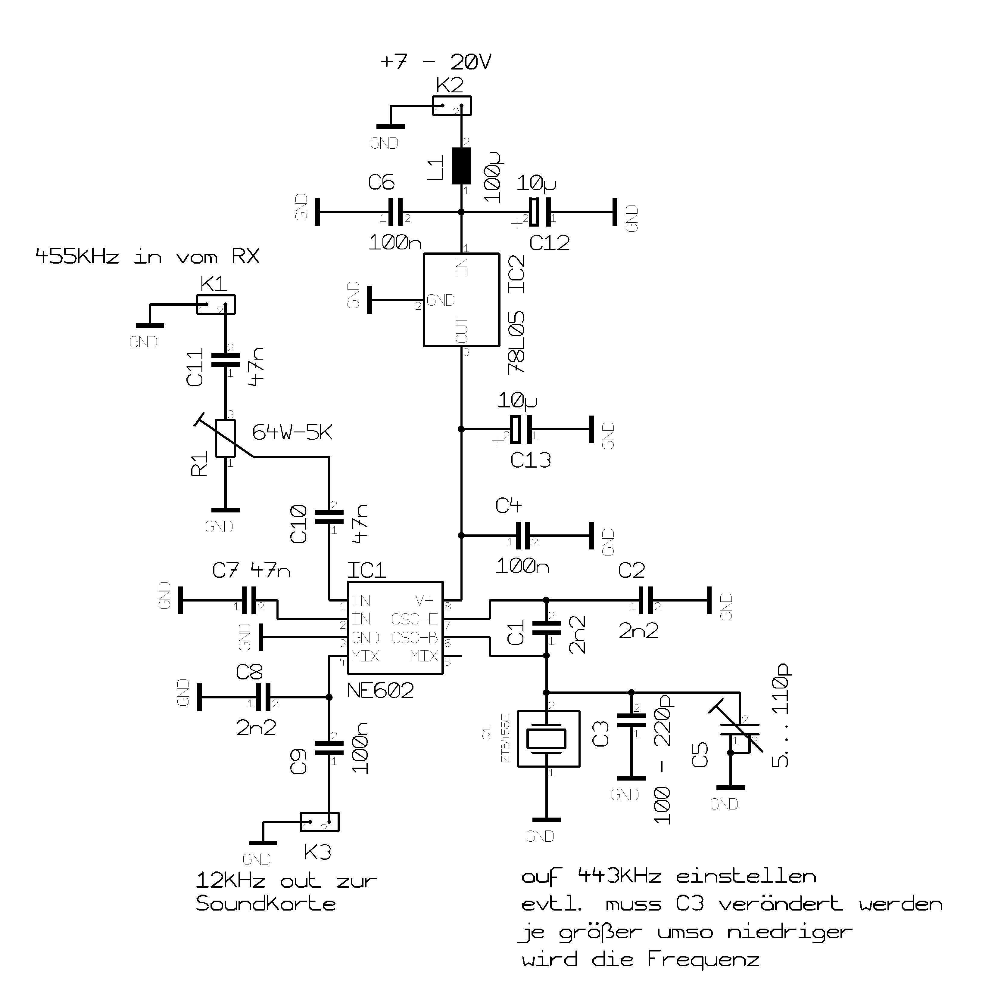
Second there hase to be a 467 kHz IF mixer. The picked up 455 kHz IF signal is transferred to a homebrewed or bought 467 kHz IF mixer, that mixes the picked up 455 kHz IF signal and an internal 467 kHz oscillator signal. One of the two resulting mixer frequencies is a 12 kHz LF signal (467 kHz - 455 kHz = 12 kHz). The 12 kHz LF signal is transferred, via a simple shield ready made sound cable with a 3 mm mail jack connector in one end and one or two mail phone conntor(s) at the other end. Normal length is about 1 meter.

Third and fourth there has to be a computer with an installed and running a DRM decoding software. There is further information about the DRM decoding software under "DRM computer software" below on this homepage. The computer should be relatively powerful - but a monster computer is absolutely no need. Connect two speaker to the computer and turn up the volume.

IMPORTANT:

  • It is important to make the right setup of the DRM software and how to se if a tuned DRM signal is well received and transferred to the DRM decoding software!!! Find further information here and a picture here.
     

  • It is important to make sure the microphone input is activated by double click the speaker at the process line, just left to the clock at the right bottom corner of the computer screen. Click the "Setup" menu, select "Options", select the "Record" bullit in the "Sound adjustment for..." area and click the "Ok" button. Mark the microphone, turn the microphone volumen to 50% of full and close the popup window.

If everything works fine there should now be a decoded DRM sound floating out the used computers speaker.

 

 

Project schematics, PCB layouts and data sheets

Alternative mixer circuits

 

 

DRM frequency list and schedule

Alternative DRM sites

Modification of receivers and transceivers to be used for receiving DRM signals

DRM computer software

Pictures

The 467 kHz IF mixer - mounted at the empty battery space of my Yaesu FT-897 transceiver - from the transceivers rear

 

The 467 kHz IF mixer - mounted at the empty battery space of my Yaesu FT-897 transceiver - from the transceivers front

The 467 kHz IF mixer inside a RF tight metal box. The phone connector has to be connected to a computers microphone input. The computer has to run a DRM-software as mentioned above

The blue wire has to be soldered to a +13.8V inside the Yaesu Transceiver. The shielded cables inner lead has to be connected to a 455 kHz IF point of the Yaesu FT-897 transceiver - in this case to one of the optional SSB-filter connectors as described above. The shielded cables shield is only connected to the transceivers shield at the 467 kHz IF mixer PCB (fine quality picture)!

Ready to work Digital Radio Mondiale (DRM) with my homebrewed 467 kHz IF mixer

My homebrewed 467 kHx IF mixer inside my closed Yaesu FT-897 transceiver

The shielde cable transferring the 12 kHz LF signal from my Yaesu FT-897 transceiver to my computer - at the transceiver end

The shielde cable transferring the 12 kHz LF signal from my Yaesu FT-897 transceiver to my computer - at the computer end

Evaluation picture from the running Dream DRM decoding software on my computer

The Dream DRM decoding software running on my computer - listening to the BBCWorld Service at 1300 kHz with a bit rate of 21.60 kbps