PSK Meter - a homebrewed controller system to prevent the annoying overload of a transmitted PSK-signal at the amateur radio HF bands (should be used by everyone running PSK at the amateur radio HF bands...!)

 

  1. Foreword
  2. Functions
  3. How to connect
  4. How to operate
  5. Project schematics, PCB layout and firmware
  6. User manual
  7. Pictures

 

My homebrewed PSK Meter in a
RF tight box


Foreword

This PSK Meter is a PIC16F876 processor based controller system made to prevent annoying overload of my PSK signals at HF. The PSK Meter is based on a construction made by George Rothbart (KF6VSG). George has made a lot of nice documentation as can be found bellow.

Functions

The PSK Meter has the major function to prevent the annoying overload of a PSK signal transmitted on the amateur radio HF bands. The PSK Meter is based on an external box and a piece of MS Windows based software to run on a Personal Computer. The PSK Meter should be used by everyone running PSK at the amateur radio HF bands.

How to connect

The external PSK Meter box has three connectors - a phone connector for 13.8V dc power, a DB9 data connector for serial communication with a connected Personal Computer and an antenna BNC connector for "tasting" the RF signal.
 
The 13.8V phone connector is connected to a 13.8V power supply. The DB9 connector is connected to a serial COM port on the Personal Computer used for the PSK transmission. A T-BNC connector is connected to the BNC at the end of the external PSK Meter box. One site of the T-BNC connector is connected to the PSK transceiver and the other site is connected to the HF antenna. Connect the external PSK Meter box directly to the antenna connector at the rear of the PSK transceiver. Click a BIG ferrite bead around the antenna cable to prevent RF current at the outside of the PSK Meter box...!

How to operate

Turn OFF the PSK transceiver, the 13.8V power supply and closing down WMS Windows on the Personal Computer used for PSK. Connect the external PSK Meter box as mentioned above. Turn on the 13.8V power supply, the PSK transceiver and the connected Personal Computer.

Start the MS Windows program pskmeter.exe (download bellow) and your favorite PSK program. Go to the pskmeter.exe program and do the right COM port setup to get in contact with the external PSK Meter box.

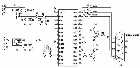
Project schematics, PCB layout and firmware

User manual

Pictures

My external PSK Meter box opened.

A closer look at my external PSK Meter box project

A close look from the serial communication
end of my external PSK Meter box.

A closer look.

A close look of the RF part of my external
PSK Meter box.

A really close look into my external PSK Meter box.